Preview

This is your website preview.

Currently it only shows your basic business info. Start adding relevant business details such as description, images and products or services to gain your customers attention by using Boost 360 android app / iOS App / web portal.

BEARINGDEALERSINCHENNAI 5780dc839ec66b0204691e6e Products https://www.paramountbearingco.in
d	 	180	mmD	 	320
d	 	180	mmD	 	320
COD available

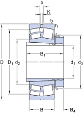
22236 CCK/W33 Spherical Roller

Description

Product details

d 180 mm D 320 mm B 86 mm d2 ≈ 213 mm D1 ≈ 278 mm b 16.7 mm K 9 mm r1,2 min. 4 mm

Keywords

Have any question or need any business consultation?

Have any question or need any business consultation?

Contact Us
Chat with us